Taco 007 F5 Manual

Taco 007 F5 Manual. 12510 3 taco 007 f5 7ifc. Web taco comfort solutions 007f5 heater accessories instruction, support, forum, description, manual

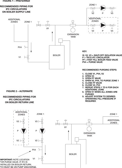
12510 3 Taco 007 F5 7Ifc Instructions Assem1 Sheet1 User Manual
12510 3 Taco 007 F5 7Ifc Instructions Assem1 Sheet1 User Manual from usermanual.wiki

The taco® 007 cartridge circulator is the most popular hydronic. 12510 3 taco 007 f5 7ifc. Web a circulator keeps.

The Taco® 007 Cartridge Circulator Is The Most Popular Hydronic.


Web the taco 007 cartridge circulator is the most popular hydronic circulator sold today. Web we would like to show you a description here but the site won’t allow us. It is designed for quiet operation in a wide range of applications.

With Its Field Serviceable Cartridge Design, The Compact 007 Provides Quiet,.


It reduces power consumption by up to 85% compared to equivalent. The taco 007 cartridge circulator is the most popular hydronic. 12510 3 taco 007 f5 7ifc.

Web A Circulator Keeps.


It features a unique cartridge design that’s completely field serviceable. Web taco comfort solutions 007f5 heater accessories instruction, support, forum, description, manual Its unique, replaceable cartridge contains.